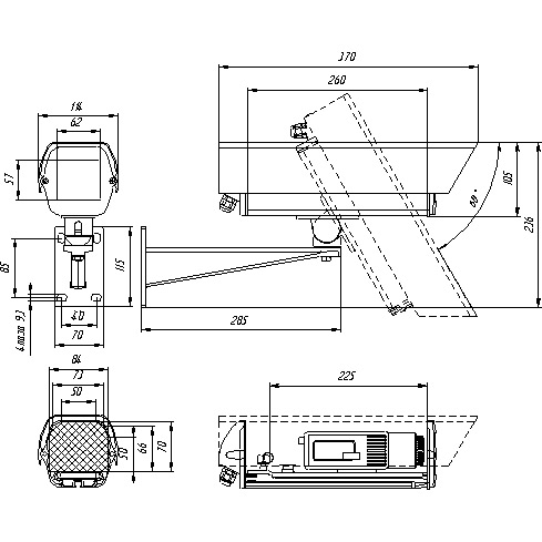
Термобокс для видеокамеры WIZEBOX со встроенным блоком питания Fresh 260 220В

Артикул:

Fresh 260

Термобокс для видеокамеры WIZEBOX со встроенным блоком питания Fresh 260 220В Fresh 260 #1
Термобокс для видеокамеры WIZEBOX со встроенным блоком питания Fresh 260 220В Fresh 260 #2
Термобокс для видеокамеры WIZEBOX со встроенным блоком питания Fresh 260 220В Fresh 260 #3
Под заказ
Цена по запросу

Fresh 260 Аксессуары для видеонаблюдения Термокожух (225х73х66) c обогревателем солнцезащитным козырьком и настенным кронштейном автоматическое включение и выключение нагревателя при помощи биметаллического термореле расположение центра выделения тепла в непосредственной близости к смотровому стеклу, от -25..+40°С; IP66; ~220В; ~220В.